Water * Ecological future | Supower decrypts the BDD electrode for you

2023-05-23

导语:

作为一种高性能新材料,BDD(硼掺杂金刚石)电极有哪些优势性能特点BDD涂层电极制备如何选择基体,推进BDD电极工业化的意义是什么BDD电极生产企业代表又是怎样一个发展状况呢追逐碳材料科技发展新动向,让我们开启解密BDD(硼掺杂金刚石)电极之旅吧。


何谓BDD电极?

BDDboron-doped diamond,硼掺杂金刚石)电极是一种新型高效的多功能电极,金刚石特殊的sp3键结构及其掺杂后具有的导电性,赋予了BDD电极优异的电化学特性。

 

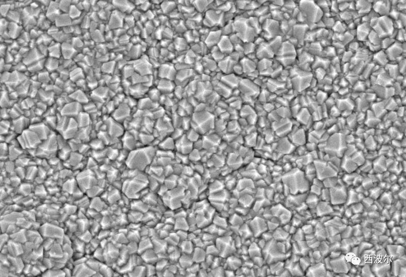
电镜下的BDD晶粒显示


BDD电极的对比优势

电极在电化学降解过程中起着举足轻重的作用。作为氧化物质(O3·OHH2O2 等)产生及反应的重要场所理想的催化电极需要具备良好的导电性、稳定性和活性自由基生成能力。

 

传统的碳电极如:玻碳(GC)电极,石墨等,强度差,容易被反应中间产物、反应产物或其他接触物强烈吸附而污染;金属电极容易出现钝化;金属氧化物电极以及混合金属氧化物电极,寿命不长,应用领域受到限制,需要进行改性处理等工作,操作较为复杂通过电沉积或热分解方法在基体上涂层的电极材料,电极表面性质不够稳定、容易失活等缺陷。

 

相对而言,BDD电极因为具有非常宽的电化学电势窗口和较小的背景电流,加上金刚石良好的化学惰性(常温下不与任何酸碱介质反应),不易结垢等特点,适用于高浓度、强酸碱、高毒性、难降解有机废水的处理,病毒和细菌的杀灭消除等场合,是极为理想的电化学电极材料选择。

 










未涂层BDD电极







涂层后BDD电极



BDD电极的性能特点

前面已经简单介绍了BDD电极的对比优势,那么BDD电极还有哪些优异的性能特点呢?我们一起来看下:

 

1宽电化学势窗口和高析氧电位。因为阳极上发生氧化反应的同时,还存在着水电解析出氧气的竞争反应,若被处理污染物的氧化电位小于电极的析氧电位,在电极达到析氧电位前,污染物在阳极上就已经得以电催化氧化。但若氧化过程在电极的电势窗口以外发生,受到析氧的影响,污染物就难以被有效分解。电势窗口越宽(析氧电位越高),阳极上氧气越难析出,有机污染物在阳极被氧化的概率就会越大,同时避免了析氧反应产生的能耗。因此可以提高处理污水的效率,同时降低能耗;

 

2、背景电流低的特点有利于金刚石电极检测电解液中的痕量污染物,使得BDD电极在电化学传感器方面具有宽广的应用潜力;

 

3、良好的物理化学稳定性,使得BDD电极在酸性、中性、碱性条件下仍能保持良好的稳定性和电极活性

 

4低吸附特性,对很多化学物质来说具有吸附惰性,常规电极表面经常发生中毒污染需要对电极表面经常做预处理,以保持电极的性能。

 

宽电化学势窗口和高析氧电位背景电流低良好的物理化学稳定性低吸附特性,可以说,正是由于这些性能特点,奠定了BDD电极作为理想电极材料选择的基础。

为确保BDD电极的电化学特性的完美展现,BDD电极的材料选择及其制备尤为关键,因而也成为了近年来的研究热点。












未涂层


网状BDD电极








涂层后


网状BDD电极





制备BDD涂层电极的基体选择

金刚石电极的衬底选择对于电极的结合性能有重要的影响。制备BDD涂层电极可选用的衬底材料较多,如:硅、钛、铌、钽、钨、钼、石墨、玻碳等材料。

 

作为电极使用,由于Si材料很脆且电导率低不适合制备大尺寸工业电极;石墨和玻碳需有中间过渡层,且机械强度差,易碎Ti材料与金刚石的热膨胀系数差异比较大,金刚石沉积时Ti和气体中的C会生成TiC中间层,虽然TiC层确保了钛衬底和金刚石之间良好的的电接触,但TiC层粗糙多孔,极易剥落,膜基结合性能有待改善。

 

铌作为一种具有重要战略意义的功能材料,其熔点高、冷加工性能好。同时,化学稳定性高,抗酸碱腐蚀能力强,在电学和电化学方面具有很大的的优势,本身就是常用的电容器和电极材料。以铌材料为基体,采用CVD化学沉淀法,可制备出高质量、不同掺杂浓度的掺硼金刚石电极材料。

 

BDD电极的工业化意义

水是生命之源,但我国属于一个水资源紧缺型国家。随着现代化工、农业生产的迅速发展,水污染日益严重,水域的富营养化问题越来越常见,不利于生态平衡同时工业废水和生活污水的排放量逐渐变多,废水中含有的化学成分变得愈发复杂,其中包括许多难以降解对环境破坏严重的有机物,如农药、酚类和酸类等。因此,如何有效处理废水中有机化合物,寻求高效、经济的水污染治理手段已成为亟待解决的主要难题。特别是当前,新冠疫情的反复肆虐,我们不得不开始重新思考健康与环境的关系。探索绿色环保、可持续发展的高性能新材料依然是我们追求的主旋律。

 


BDD电极作为匹配电化学污水处理设备的耗材,承担着不可或缺的作用,已经广泛应用于污水处理,电解和电化学合成,以及基于电化学原理的探测器、传感器等,涉及到农药、皮革、造纸、纺织、食品、化妆品、医药等应用领域。但由于BDD电极核心技术的瓶颈与壁垒,国内消耗的BDD电极大多来自进口,价格高不说,并且货期不稳定。

推进BDD电极的工业化势在必行,因此也涌现了不少企业院校、科研单位等加入BDD电极科技研发以及成果转化的阵列。


BDD电极的企业代表

作为BDD电极生产企业代表,经过多年攻坚克难,西波尔CVD金刚石涂层项目团队已经在大尺寸和超低成本的BDD涂层电极的技术研发和生产制备方面取得突破,成为国内为数不多的掌握BDD电极核心技术的专业厂家之一。公司不仅能在大面积铌网上做BDD涂层,还可以在其他金属表面做涂层,其优势在于可生产基体尺寸高达500mm*500mm的大尺寸全表面CVD金刚石膜涂层电极。根据客户要求提供定制化产品,可实现同类产品进口替代,帮助客户降本增效。


涂层后板状BDD电极


道阻且长,行则将至。西波尔CVD金刚石涂层项目团队始终致力于BDD涂层电极产品的技术攻坚和成果应用研究,通过不断技术创新和产品升级来推动企业的进步,为污水治理和绿色环保贡献力量。

 

结语

碳材料科技发展迅速,围绕BDD电极等新材料的科研工作仍在继续。未来,相信将有更多相关新技术及新应用等待我们去解密!